| project name | Khartoum New International Airport (KNIA) Aircraft fueling design |
| owner | Project Implementation Unit for KNIA, Khartoum (Sudan) |
| prime consultant | Dorsch Consult Airports, Munich (Germany) |
| location | Khartoum (Sudan) |
| project duration | begin october 2003 |
The airport of Khartoum is located close to city center and a permanent peril. Possibilities for airport extension do not exist due to the rapid growing city.
The Presidency and its Project Implementation Unit for KNIA plan a new Greenfield airport, for 6.5 million passengers per year, some 40 km south of Khartoum.

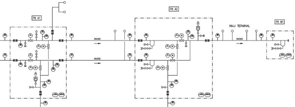
p&id aviation fuel supply, detail main feeder line
responsibilities
fuel supply relevant contribution to airport site selection
master planning, detail design, specification writing for hydrant aircraft fueling system (HAF)
coordination of master planning, detail design, specification writing for aviation fuel tank farm
turn key (EPC – Engineering, Procurement, Construction) tender preparation and bid evaluation acc. to FIDIC “silver book”