| name | Flughafen Hamburg Erweiterung der Enteisungstanks |
| auftraggeber | Flughafen Hamburg GmbH |
| ort | Flughafen Hamburg |
| projektdauer | beginn Juni 2011 ende Oktober 2012 |
Um den gestiegenen Anforderungen an Enteisungsmittel am Flughafen Hamburg gerecht zu werden, wird das vorhandene Enteisungsmittellager erweitert. Die Lagerkapazität soll von derzeit anderthalb Tagen auf drei Tage verdoppelt werden.
Die Anlage wurde Ende September nach nur fünf Monaten Bauzeit termingerecht für den Winterflugplan 2012/2013 abgenommen.

Ansicht Enteisungsanlage
leistungen
Für die Planungen wurde das Ingenieurbüro wolf ingenieure + berater wurde mit den Leistungsphasen 3 Entwurf bis 9 HOAI beauftragt:
illustration

CADD-Moddell der Gesamtanlage

Lieferung der Tankcontainer

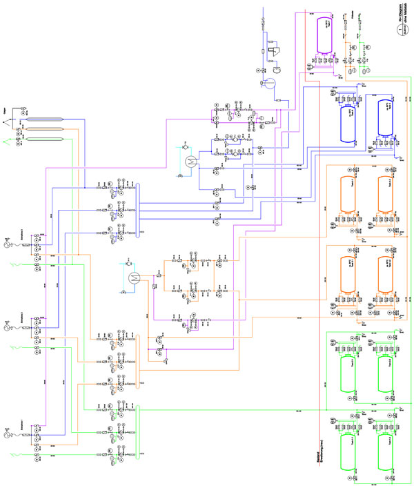
R+I-Fließbild Enteisungslagers